Chers utilisateurs,

Les perturbations sont désormais terminées.

Nous vous remercions pour votre compréhension durant cette période et nous nous excusons pour la gêne occasionnée si vous aviez rencontré des dysfonctionnements de TaHoma et des équipements associés.

L’équipe des Yellows  

Question en attente de réponse

MOtorisation porte de garage

J'avais posté un message il y a quelques jours pour défaut de fonctionnement de moteurs de garage reliés avec boitier contact sec. Après avoir changé la carte électronique d'un mes moteurs ainsi que la carte de mon boitier contact. Plus rien ne fonctionne. J'ai tout débranché et j'attends que vous m'expliquiez par croquis, images, etc... comment rebrancher tout ce matériel. D’après les photos que j'envoie, comment brancher de mon 1er moteur vers le contacteur et du contacteur vers le 2ème moteur. D'avance merci

Didier F.
Didier F.

Didier F.

Niveau
0
63 / 100
points
  • Partager cette question

    Réponses

    Anonyme
    Anonyme

    Anonyme

    Niveau
    4
    5000 / 5000
    points

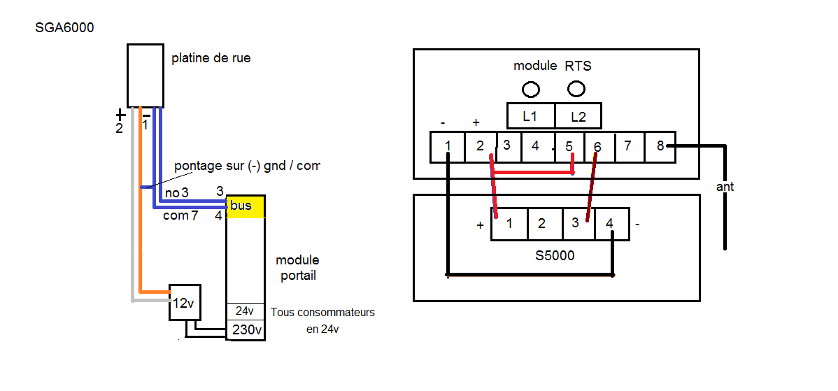
    Voici le croquis:

    Didier F.
    Didier F.

    Didier F.

    Niveau
    0
    63 / 100
    points

    Merci Michel.S pour ta réponse mais tu penses bien que ce croquis je l'ai déjà vu sur internet. Cela ne m'aide pas plus.

    Anonyme
    Anonyme

    Anonyme

    Niveau
    4
    5000 / 5000
    points

    Ha bon...???? Ce croquis ne vous aide pas ?
    Pourtant c'est exactement ce qu'il vous faut dans votre situation.
    Ben tant pis....je n'ai rien d'autre en magasin !

    Didier F.
    Didier F.

    Didier F.

    Niveau
    0
    63 / 100
    points

    Oui, mais le croquis que vous m'avez envoyé, pour moi, qui ne suis pas du métier, est incompréhensible. Merci encore d'avoir pris le temps de me répondre.*

    Anonyme
    Anonyme

    Anonyme

    Niveau
    4
    5000 / 5000
    points

    Je pourrais pas faire plus simple que cà, et croyez moi, ca n'a rien de pro.

    Haut de page