Chers utilisateurs,

Nous vous informons que nos serveurs sont relancés progressivement et qu'il est à nouveau possible de piloter vos équipements via l'application Somfy protect.

Veuillez nous excuser pour la gêne occasionnée.

L’équipe des Yellows  

Question en attente de réponse

Commander une porte de garage ?

Bonjour,

J ai un visiophone v400 et une porte de garage somfy dexxo compact rts , et je n'arrive pas connecter les deux
Est ce que c est possible?

Merci,

  • Partager cette question

    Réponses

    Jean-Luc B.
    Jean-Luc B.

    Jean-Luc B.

    Niveau
    4
    5000 / 5000
    points

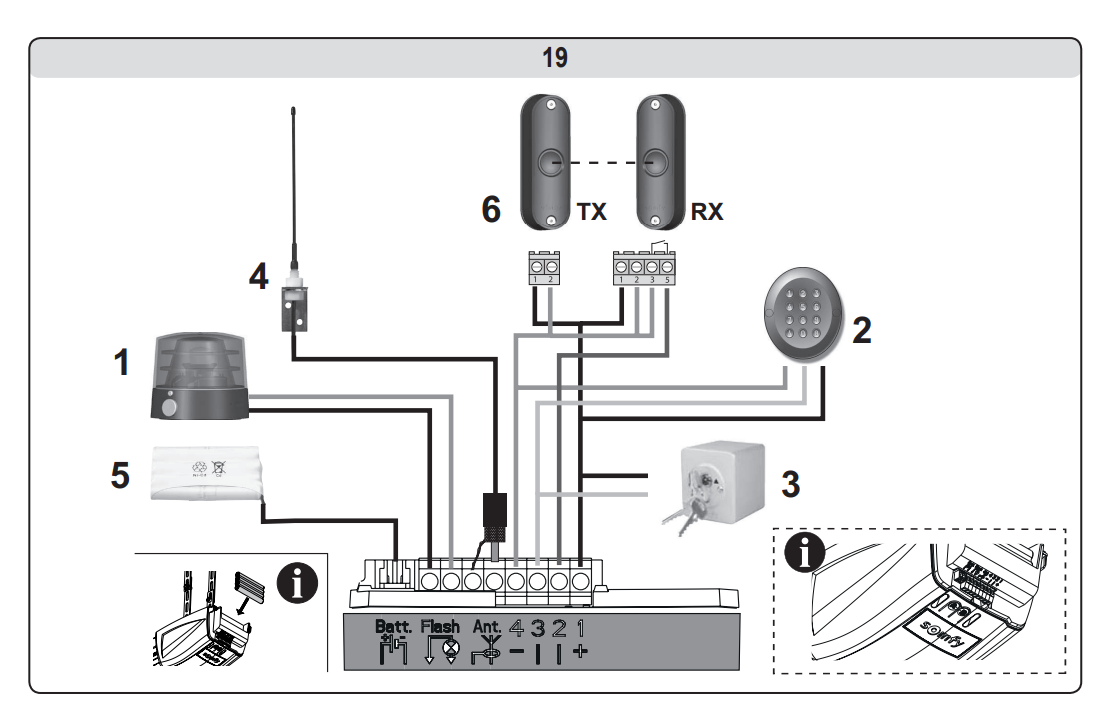
    Bonjour

    Oui c'est possible en connectant le contact sec du visiophone sur les bornes 1 et 3 de la motorisation, comme le contact clé. (voir photo !)

    Bonne journée !

    Anonyme
    Anonyme

    Anonyme

    Niveau
    4
    5000 / 5000
    points

    bonjour,

    C'est quoi que voulez faire au juste ?
    raccorder la platine de rue au moteur? Si oui, faites ce que Jean-Luc vous dis en raccordant No/Com de la platine à 1/3 du moteur.
    Si c'est le moniteur en mode radio RTS, faites comme pour une télécommande par appui sur B.

    CdL

    Haut de page