Chers utilisateurs,

Les perturbations qui impactait TaHoma et Somfy Protect sont désormais terminées. Vous pouvez être invité a vous reconnecter a vos applications.

Nous vous remercions pour votre compréhension durant cette période et nous nous excusons pour la gêne occasionnée si vous avez rencontré des dysfonctionnements de TaHoma et les équipements associés.

L’équipe des Yellows  

Question en attente de réponse

passeo 500 12v

Bonjour, il me faut du 12v, savez vous entre quelles borne le trouver ? meric

Patrick C.
Patrick C.

Patrick C.

Niveau
0
75 / 100
points
  • Partager cette question

    Réponses

    Anonyme
    Anonyme

    Anonyme

    Niveau
    4
    5000 / 5000
    points

    Bonjour,
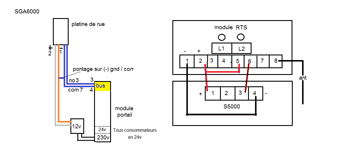
    Faites comme moi, un petit transfo 230/12 branché sur l'alim 230v.
    Croquis de gauche.

    Richy C.
    Richy C.

    Richy C.

    Niveau
    4
    5000 / 5000
    points

    Bonjour,

    Il serait bon de préciser:
    Pour quoi faire avec ce 12 V souhaité ?
    Quel courant est nécessaire ?

    Patrick C.
    Patrick C.

    Patrick C.

    Niveau
    0
    75 / 100
    points

    je veux installer un digicode

    Richy C.
    Richy C.

    Richy C.

    Niveau
    4
    5000 / 5000
    points

    Pouvez-vous être un peu plus bavard !
    Quel digicode ?
    Quel marque, quel modèle ?
    A quoi doit servir le digicode ?

    Patrick C.
    Patrick C.

    Patrick C.

    Niveau
    0
    75 / 100
    points

    il s'agit d'un digicode de marque SCS ref: XO-C il doit servir a ouvrir une gâche uniquement.

    Anonyme
    Anonyme

    Anonyme

    Niveau
    4
    5000 / 5000
    points

    Mon portier vidéo sans fil est un SCS Sentinelle, c'est une super marque. Effectivement il faut le 12v, d'où mon croquis.

    Haut de page