Chers utilisateurs,

Nous rencontrons actuellement des ralentissements sur nos serveurs pouvant impliquer des difficultés à vous connecter à Tahoma et Somfy Protect.

Nos équipes sont actuellement dédiées à la résolution de ce problème et nous vous tiendrons informés de l’avancement de la situation via ce bandeau d’information.

Veuillez nous excuser pour la gêne occasionnée et nous vous remercions pour votre compréhension.

L’équipe des Yellow’s SOMFY  

Question en attente de réponse

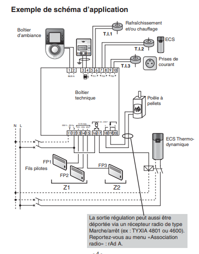
Somfy thermostat connecté filaire et calybox 1020 wt

Bonjour à tous.

Débutant dans la matière j'aimerais être éclairé par vos lumières.

J'ai actuellement une maison individuelle équipée de la calybox 1020 wt que je ne veut pas enlever car elle me fournit des infos sur ma consommation électrique (+ infos sur mon chauffe eau thermodynamique). Pour les radiateurs ce sont des atlantics.

J'ai récemment fait l'acquisition du thermostat connecté filaire de somfy que je trouve top.

Ma question est la suivante :
Serait il possible de garder la calybox pour les infos de conso électrique + ecs et ajouter le thermostat somfy pour contrôler la température de la maison ?

Merci d'avance.
Bien cordialement.

Yus Y.
Yus Y.

Yus Y.

Niveau
1
103 / 750
points
  • Partager cette question

    Réponses

    JACKY M.
    JACKY M.

    JACKY M.

    Niveau
    4
    5000 / 5000
    points

    Bonjour Yus
    La calybox gère votre chauffage via le fil pilote des radiateurs.
    Elle est capable de gérer plusieurs zone, par contre je ne sais pas si elle fait thermostat d'ambiance.

    Si vous voulez utiliser un thermostat Somfy V2, il vous faut le modèle Fil pilote, et de préférence le sans fil car il faut récupérer le ou les fils pilotes au niveau du boitier de la calybox au tableau électrique.
    L'équivalent de votre installation chez Somfy c'est le capteur effet joule plus la box tahoma.

    Yus Y.
    Yus Y.

    Yus Y.

    Niveau
    1
    103 / 750
    points

    Bonjour Jacky.

    Merci beaucoup pour ces informations.
    Du coup le thermostat somfy que j'ai acheté (sous la ref 2401498 : je pense que c'est la version 1 filaire) n'est pas bon.
    Je vais voir si j'ai le courage ou pas de complètement enlever delta dore et passer à somfy pour ma gestion du chauffage car l'interface côté delta dore n'est pas vraiment ergonomique.

    Merci encore

    Haut de page