Chers utilisateurs,

Nous rencontrons actuellement des ralentissements sur nos serveurs pouvant impliquer des difficultés à vous connecter à Tahoma et Somfy Protect.

Nos équipes sont actuellement dédiées à la résolution de ce problème et nous vous tiendrons informés de l’avancement de la situation via ce bandeau d’information.

Veuillez nous excuser pour la gêne occasionnée et nous vous remercions pour votre compréhension.

L’équipe des Yellow’s SOMFY  

Question en attente de réponse

Connexion Tahoma v2 portail NICE

Bonjour,

Je dispose d'une Tahoma V2 et nous avons installé un portail double battants RTS moteur Nice. Comment puis je ajouter la commande RTS du portail aux accessoires commandés via Tahoma ?
J'ai acheté un module
Somfy 2400556 - Récepteur Portail/Porte de Garage extérieur Universel mais ca ne semble pas etre la bonne solution.

Merci pour votre aide.

adrien Z.
adrien Z.

adrien Z.

Niveau
0
21 / 100
points
  • Partager cette question

    Réponses

    Si, ce récepteur est la bonne et la seule solution.

    Posez ici le schéma du Nice et je vous expliquerais le raccordement ainsi que l'affectation sur V2.

    Bonne journée à vous

    adrien Z.
    adrien Z.

    adrien Z.

    Niveau
    0
    21 / 100
    points

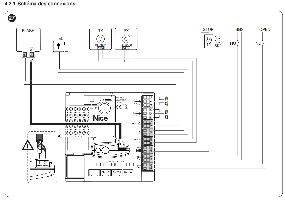
    Merci pour votre réponse rapide. Je joins les différents schémas disponibles.
    Si je comprends bien le sens de votre réponse, le boitier Somfy doit être directement branché sur le moteur de portail Nice.

    Votre moteur ne fourni pas de 24v.
    Il vous donc un petit transfo 230/24v que vous raccorderez sur 1/2 récepteur.
    SBS se raccorde sur 3/4 récepteur.

    Dans Tahoma : config, RTS, ajouter, autre RTS, suivre les instructions.

    Bonne journée.

    adrien Z.
    adrien Z.

    adrien Z.

    Niveau
    0
    21 / 100
    points

    Merci pour votre aide précieuse, bonne journée également.

    Haut de page